Maite filter
油霧分離器
免費定製方案 免費到廠考察 免費獲取報價!
產品說明:MFF高效油霧分離器核心采用“聚結分離”技術去除油煙中的油霧。該裝置集油霧過濾和高效分離兩大功能於一體,可有效去除煙氣中的顆粒雜質、霧化油煙和水蒸氣。功能分為:離心粗分離、運動衝擊二級分離和高效聚結分離三級分離多重過濾技術。本裝置專為潤滑係...
香蕉国产2023過濾設備攜手各行業打造滿足成人AV香蕉老司机网需求產品的保障
MFF高效油霧分離器核心采用“聚結分離”技術去除油煙中的油霧。該裝置集油霧過濾和高效分離兩大功能於一體,可有效去除煙氣中的顆粒雜質、霧化油煙和水蒸氣。功能分為:離心粗分離、運動衝擊二級分離和高效聚結分離三級分離多重過濾技術。本裝置專為潤滑係統研製,不僅能有效去除油箱內的油霧和水蒸氣,避免對環境造成二次汙染,而且顯著降低潤滑油的消耗量,又能保證在風機意外停止時油箱內壓力保持為0。
二、原 理
高效聚結分離濾芯采用多種不同材質、不同特性的進口材料組合而成。目前,香蕉国产2023使用的聚結分離材料均為國外知名企業產品如蘭德、HV、南玻院等,可以保證使用效果。不同的材料具有不同的過濾間隙、表麵張力特性、親脂/親水、疏油/疏水極性。通過不同物料的組合使用,達到過濾、聚結和分離三種目的,從而保證的分離效果。
1、篩選:
油霧中除了油煙外,還含有各種固體顆粒。固體顆粒的存在會影響聚結和分離的效果,大大降低濾芯的使用壽命。香蕉国产2023聚結分離濾芯在聚結分離層前設計高效深度過濾,煙氣深度過濾後可通過聚結分離濾芯,大大提高了濾芯的使用壽命。
2、聚結:
根據介質的表麵張力聚結。聚結層為多層纏繞結構,由3-4種材料組成。通過特殊設計的氣道結構,實現了煙氣從小油氣到大油滴的結構變化。Matte聚結分離濾芯結合頗爾核心技術,處理量大,聚結能力強。可長期在油霧飽和的惡劣環境中使用。具有燒結法、氈化法等傳統方法無法比擬的優點
3、分離:
通過聚結濾芯的煙氣將進入濾芯的分離層。大油滴在氣體的驅動下向前運動,由於親油/疏油極性而與分離層發生碰撞。由於重力作用,大油滴沉降到容器底部。
4、釋放:
油煙風機分離出來的油非常幹淨,可以直接回用,設備有回油管路可以將油液直接回流到油箱當中。專門預留排油管路,管路穿入液位以下。
設備原理圖:
三、工作流程及安裝

工作流程:正常分離管路、調壓管路、意外停機溢流管路
型號 | MFF180 | MFF210 | MFF350 | MFF420 | MF500 | MFF700 | MFF900 |
油箱高度mm | >1200 | >1200 | >1300 | >1300 | >1500 | >2000 | >2000 |
高位警戒線mm | <1000 | <1000 | <1000 | <1000 | <1200 | <1700 | <1700 |
油界上限mm | <850 | <850 | <850 | <850 | <1000 | <1200 | <1200 |
油界下限mm | 400 | 400 | 400 | 400 | 500 | 500 | 500 |
地位警戒線mm | 300 | 300 | 300 | 300 | 350 | 350 | 350 |
以上數值為理論參考尺寸,實際安裝時根據油箱流量、容積、長寬高尺寸確定具體安裝高度!
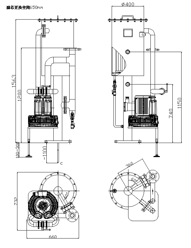
四、外形簡圖(以MFF420-2.2為例)

注意:分離器進出口可根據成人AV香蕉老司机网提供接口製作!
安裝時應留足上部更換濾芯的空間!
具體所需空間尺寸,可谘詢香蕉国产2023工程師。
五、選型技術參數
序列號 | 型號 | 電機功率 | 確保油箱負壓 |
1 | MFF180-0.75-150/80-CS | 0.75KW | -0.5Kpa |
2 | MFF210-1.1-150/80-CS | 1.1KW | -0.5Kpa |
3 | MFF350-1.5-200/80-CS | 1.5KW | -0.5Kpa |
4 | MFF420-2.2-200/80-CS | 2.2KW | -0.5Kpa |
5 | MFF500-4.0-200/80-CS | 4.0KW | -0.5Kpa |
6 | MFF700-5.5-300/100-CS | 5.5KW | -0.5Kpa |
7 | MFF900-7.5-300/100-CS | 7.5KW | -0.5Kpa |
注: 200/80表示油霧分離器進出口法蘭尺寸。具體法蘭尺寸、標準等按用戶要求製作。
六、選型參考技術條件:
工作介質:含油空氣
工作條件:安裝在油站頂部,室內或室外均可運行
工作轉速:2900rpm
係統入口壓力:-0.2~-0.5Kpa;允許負壓:10Kpa;
電源條件:380V 50Hz 3ph
用於高效聚集分離方式去除油霧。油霧去除效率≥99.98%,油煙中的油粒被去除。
油煙機的上筒體和下進風口裝有壓力表。
排油煙風機的進、出口設有旁通管路,旁通管路與手動截止閥相連,以調節風機的送風量。
確保風扇停止時分離器入口壓力為零。
MFF型高效油霧分離器選型說明:
1、油站流量在300L/min以下,電機功率為1.1KW
2、油站流量在300~600L/min之間,電機功率為1.5KW
3、油站流量600~1200L/min之間電機功率為2.2KW
4、油站流量1200~1800L/min之間電機功率為4.0KW
5、油站流量1800~2400L/min之間電機功率為5.5KW
6、油站流量2400~3000L/min以上電機功率為7.5KW
以上就是常用油霧分離器的選型。特別是大流量油係統(如:大於3000L/min),請谘詢本公司技術人員;或者帶密封隔離氣的齒輪箱分離器和壓縮機,請放大型號使用,
風量-功率選擇
型號 | 流量 | 代號 | 功率 |
180 | 45m³/h | 0.75 | 0.75KW |
210 | 120m³/h | 1.1 | 1.1KW |
350 | 145m³/h | 1.5 | 1.5KW |
420 | 200m³/h | 2.2 | 2.2KW |
500 | 260m³/h | 4 | 4.0KW |
700 | 400m³/h | 5.5 | 5.5KW |
900 | 600m³/h | 7.5 | 7.5KW |
進出口尺寸選擇
代碼 | 尺碼說明 |
200/80 | 入口尺寸DN200 |
出口尺寸DN80 | |
具體進出口尺寸及標準由用戶選擇 | |
原材料選擇
型號 | 材質 |
CS | 碳鋼 |
SS | 304材質 |
特殊材料,根據成人AV香蕉老司机网要求定做(316L) | |
例如:MFF180-0.75-150/80-SS
180-風量(m³/min) 1.5-匹配電機功率
150/80-油霧風機進出口接口尺寸
SS-不鏽鋼(CS碳鋼)
特殊要求(如不鏽鋼SS316L、材質禁用銅等)請在技術協議中注明。
七、過濾元件
一旦油霧分離器濾芯的微纖維幾乎完全被雜質和潤滑油顆粒浸透,就需要更換濾芯。過濾係統的真空壓力表指示何時更換濾芯。濾芯更換方便快捷。隻需要幾分鍾後,您的油霧分離器就可以再次使用,並確保恒定的真空度和始終如一的潤滑油質量。
香蕉国产2023過濾設備攜手各行業打造滿足成人AV香蕉老司机网需求產品的保障
| 名稱: | 油霧分離器 | 型號: | MFF- |
| 油站流量: | 100~2400L | 功率: | 0.75~7.5kw |
香蕉国产2023過濾設備攜手各行業打造滿足成人AV香蕉老司机网需求產品的保障